KOLLMORGEN SERVOSTAR 601'in Özellikleri ve Görüntüsü
| Ürün Açıklaması | ||
| 3 enstrüman genişliği | 1,5A ila 10A anma akımı için 70 mm 14A anma akımı için 100 mm 20A anma akımı için 120 mm | ![]() |
| Standart versiyon | Geniş nominal voltaj aralığı (3x208V–10% ila 3x480V +10%) | |
| Tip | Dijital Servo Amplifikatör | |
| Parça No. | SERVOSTAR 601 | |
| Yardımcı besleme gerilimi 24VDC | Elektriksel olarak izole edilmiş, dahili sigortalama (3,15 AT), harici bir 24VDC güç kaynağından, örneğin yalıtım trafosuyla | |
| Çalışma ve parametre ayarı | Bir PC'nin seri arayüzü üzerinden kurulum için kullanıcı dostu yazılımımızla Servo amplifikatör üzerindeki iki tuş ve PC bulunmadığında durum gösterimi için 3 karakterli LED ekran aracılığıyla doğrudan çalıştırma | |
| Tamamen dijital kontrol | Dijital akım kontrolörü (uzay vektör darbe genişlik modülasyonu, 62,5 µs) | |
KOLLMORGEN SERVOSTAR 601 Grafiği ve Ayrıntıları
![]() |
TheKollmorgen SERVOSTAR 6011,5A ila 20A akım değerlerinde mevcut çok yönlü bir dijital servo amplifikatörüdür. 208V ila 480V arasında geniş bir voltaj aralığını destekler ve senkron ve asenkron motorlar dahil olmak üzere çeşitli motor tipleriyle uyumludur. Amplifikatör, CANopen ve RS232 gibi entegre iletişim arayüzlerine sahiptir ve yumuşak başlatma, aşırı voltaj tanıma, kısa devre koruması ve sıcaklık izleme gibi koruma işlevleri sunar. Ayrıca gelişmiş performans ve güvenlik için dinamik fren güç dağıtım sistemi ve dahili fren direnci içerir. |
Daha fazla ayrıntı istiyorsanız lütfen çekinmeden benimle iletişime geçin.E-posta:satış@yedekmerkezi.com
Daha Fazla Teknik Veri
Öğe | Spesifikasyon |
|---|---|
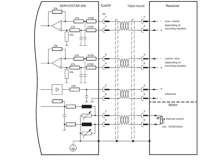
| Çözücü, termal kontrol, max.100m uzunluk | 4x2x0,25 mm² (22awg) bükümlü çiftler, ekranlı, kapasitans <120pF/m |
| Enkoder, termal kontrol, max.50m uzunluk | 7x2x0,25 mm² (22 awg) bükümlü çiftler, ekranlı, kapasitans <120pF/m |
| Set noktaları, monitörler, AGND | 0,25 mm² (22awg) bükümlü çiftler, ekranlı |
| Kontrol sinyalleri, BTB, DGND | 0,5 mm² (20awg) |
| Tutma freni (motor) | min. 0,75 mm² (18awg), 600V,80°C (176°F), korumalı, voltaj düşüşünü kontrol edin |
| +24V / XGND | maks. 2,5 mm² (12awg), voltaj düşüşünü kontrol edin |
| Bağıl nem (yoğuşmasız) | %10 ila %95 |
Diğer İlgili Modül
ABB 170M6467 3AUA0000062487 Eaton Bussmann Kare Gövde Bıçak Sigortası ABB SPFEC12 Analog Giriş Modülü Modbus TCP Arayüzlü ABB SPBRC410 Kontrol Cihazı ABB TU831V1 3BSE013235R1 Genişletilmiş Modül Sonlandırma Ünitesi RH1-TP RH1-TP RH1-TP RH1-TP RH1-TP RH1-TP RH1-TP HIRSCHMANN Endüstriyel Ethernet Ray Merkezi HIRSCHMANN Endüstriyel Ethernet Ray Merkezi HIRSCHMANN Ray Merkezi HIRSCHMANN Ray Merkezi HIRSCHMANN Ray Merkezi HIRSCHMANN Ray Merkezi HIRSCHMANN Ray Merkezi HIRSCHMANN Ray Merkezi HIRSCHMANN Ray Merkezi HIRSCHMANN RH1-TP HIRSCHMANN RH1-TP HIRSCHMANN RH1-TP HIRSCHMANN RH1-TP HIRSCHMANN Modülleri HIRSCHMANN Modülleri HIRSCHMANN Modülleri HIRSCHMANN Modülleri HIRSCHMANN Modülleri HIRSCHMANN Modülleri HIRSCHMANN Ethernet Ray Anahtarı HIRSCHMANN Ethernet Ray Anahtarı HIRSCHMANN Ethernet Ray Anahtarı KOLLMORGEN SERVOSTAR 601 KOLLMORGEN SERVOSTAR 601 KOLLMORGEN SERVOSTAR 601 KOLLMORGEN SERVOSTAR 601 KOLLMORGEN SERVOSTAR 601 KOLLMORGEN S60100-PB KOLLMORGEN S60100-PB KOLLMORGEN S60100-PB KOLLMORGEN S60100-PB KOLLMORGEN S60100-PB KOLLMORGEN S60100-PB KOLLMORGEN S60100-PB KOLLMORGEN Dijital Servo Amplifikatör KOLLMORGEN Dijital Servo Amplifikatör KOLLMORGEN Dijital Servo Amplifikatör KOLLMORGEN Dijital Servo Amplifikatör KOLLMORGEN Dijital Servo Amplifikatör KOLLMORGEN Modülü KOLLMORGEN Modülü KOLLMORGEN Modülü KOLLMORGEN Modülü KOLLMORGEN Modülü KOLLMORGEN Modülü KOLLMORGEN Modülü KOLLMORGEN Modülü KOLLMORGEN Modülü KOLLMORGEN Modülü KOLLMORGEN Modülü |
Mobil/WhatsApp:+852 6980 6006
E-posta:satış@yedekmerkezi.com





















