Ürün Özellikleri
| Üretici | Honeywell'in | FC-SAI-1620M V1.5 |
| Parça Numarası | FC-SAI-1620M V1.5 | HONEYWELL FC-SAI-1620M V1.5 |
| Ürün türü | Güvenlik Yöneticisi Sistem Modülü | SAI-1620M V1.5 |
| Güç gereksinimleri | 5 V DC, 35 mA | Honeywell Güvenlik Yöneticisi Sistem Modülü |
| Giriş kanalı sayısı | 16 | Honeywell PLC Modül Otomasyonu |
| Giriş aralığı | 0-4,1V | FC-SAI-1620M V1.5 |
| A/D dönüştürücü hatası | ± 1 LSB | HONEYWELL FC-SAI-1620M V1.5 |
| Ağırlık | 0,60 lbs | HONEYWELL FC-SAI-1620M V1.5 |
Ürün Detayları
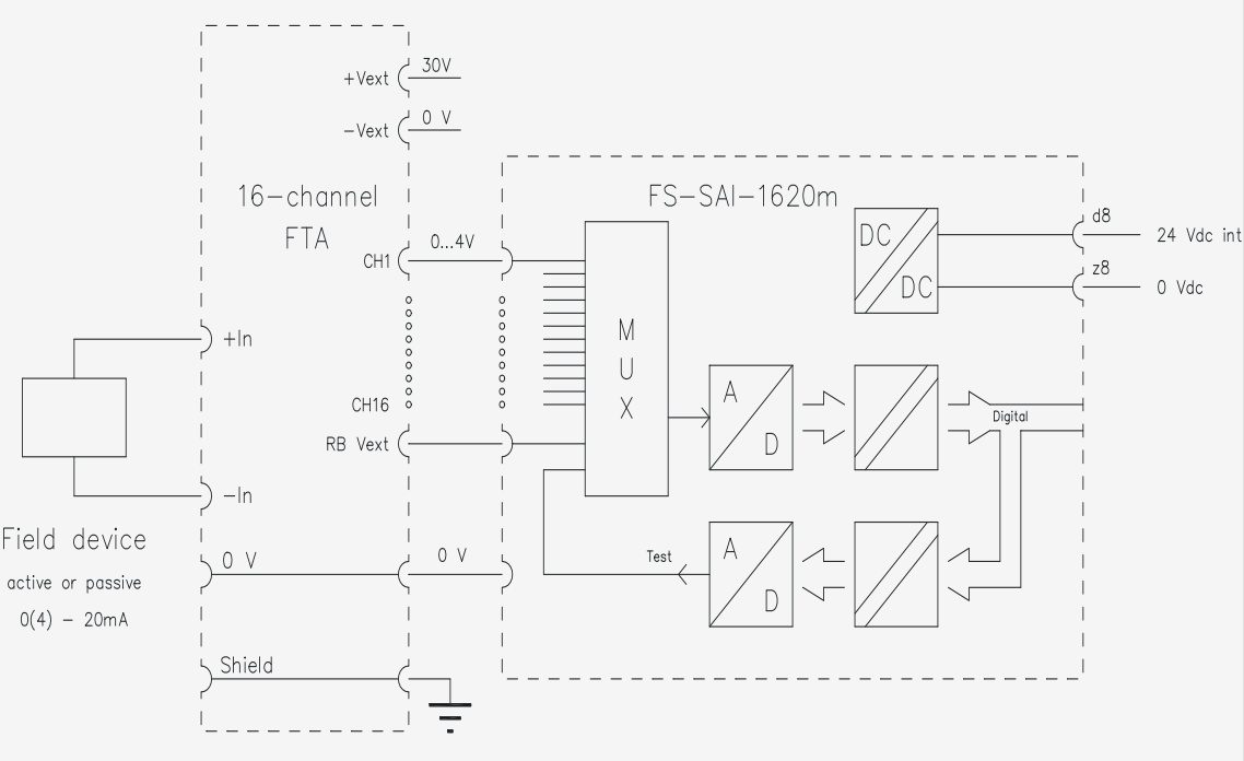
Analog giriş modülü FC-SAI-1620m on altı analog girişe (0-4 V) ve harici voltaj geri okumasına sahiptir
giriş (0-4 V). On altı kanal güvenlidir (IEC 61508'e uygun güvenlik sınıfı SIL3) ve
on altı kanalın tümü için ortak olan izole analog 0 V.
FSAI-1620m modülünün analog girişlerine yönelik alan sinyallerinin 0-20 mA'dan 0-20 mA'ya dönüştürülmesi gerekir.
SAI-1620m modülüne uygun seviye.
Bu dönüşümü iki şekilde gerçekleştirebilirsiniz:
l Saha sonlandırma montaj modülü TSAI-1620m üzerinde,
TSHART-1620m, TSGAS-1624 veya TSFIRE-
1624
l Analog giriş dönüştürme modülü BSAI-1620mE, programlama konektöründe (Px) bulunur.
19 inç kasadaki GÇ arka panelinin arkası.
Termokupl veya PT-100 gibi analog giriş sinyalleri yalnızca 0(4)—20 mA'ya dönüştürüldükten sonra kullanılabilir
özel bir dönüştürücüyle (ve bir TSAI-1620m veya BSAI-1620mE modülüyle).
Daha fazla ayrıntı istiyorsanız lütfen çekinmeden benimle iletişime geçin.E-posta:sales@sparecenter.com
Ürün Grafikleri ve Şekil
![]() |
| Şekil: Girişlerin FC-SAI-1620m modülüne bağlantısı için şematik diyagram |
Safety Manager Controller tarafından kontrol edilen modülün kendi kendine testi şunları kontrol eder: l Mutlak doğruluk 2 Tüm aralıkta doğru dönüşüm 3 Girişler arasında çapraz konuşma 4 Kanal giriş filtreleri 5 Dahili besleme gerilimleri |
Ürün Fotoğrafları
1

2

3

4

Diğer Modüller
HONEYWELL MC-TSTX03 51309140-175 Akıllı Verici Arayüzü
HONEYWELL 51305072-200 LCN I/O Kartı
HONEYWELL 51305072-300 LCN I/O Kartı
HONEYWELL 10004/H/F Haberleşme Kartı
HONEYWELL FC-SAI-1620M V1.5 Honeywell PLC Modül Otomasyonu
HONEYWELL 10303/1/1 Güç Kaynağı Modülü
Honeywell Güvenlik Yöneticisi Sistem Modülü
HONEYWELL 51401477-100 Klasik Arka Panel
HONEYWELL 8C-SHEDA1 51307186-175 Başlık panosu
HONEYWELL TK-PRR021 51309288-475Rev N Artıklık Modülü
HONEYWELL 8C-TDIL51 51306969-175 Dijital Giriş Modülü
HONEYWELL 10311/2/1 Anahtar kodlama
HONEYWELL CC-PDOB11 51308373-175Dijital Çıkış Modülü
HONEYWELL 51196990-500 Güç Kablosu 15pin 10ft
Honeywell Güvenlik Yöneticisi Sistem Modülü
HONEYWELL 51305391-300 Güç Kablosu 15pin 10ft
Honeywell PLC Modül Otomasyonu Honeywell PLC Modül Otomasyonu
HONEYWELL 51308097-200 Dokunmatik Ekran I/F Kablosu
HONEYWELL DC-TAIX01 51307597-176Analog Giriş Modülü
HONEYWELL SC-UCMX02 51307195-276 Kontrol Cihazı CPM 28 Karışık
HONEYWELL SC-UCNN11 51307573-176 RTU2020 Denetleyici CPM Kırmızı
HONEYWELL SC-PCMX01 51307195-175 Kontrol Modülü
HONEYWELL QPP-0002 HONEYWELL FC-QPP-0002
Honeywell Güvenlik Yöneticisi Sistem Modülü
HONEYWELL QPP-0002 HONEYWELL FC-QPP-0002
Honeywell PLC Modül Otomasyonu Honeywell PLC Modül Otomasyonu
HONEYWELL QPP-0002 HHoneywell FC-QPP-0002

Mobil/uygulama nedir:+852 6980 6006
E-posta:sales@sparecenter.com




















