Ürün Özellikleri
| Üretici | Honeywell'in | FC-BKM-0001 |
| Parça Numarası | FC-BKM-0001 | HONEYWELL FC-BKM-0001 |
| Ürün türü | HONEYWELL Pil ve Anahtar Anahtar Modülü | HONEYWELL Pil ve Anahtar Anahtar Modülü |
| Çalışma sıcaklığı | –5°C—+70°C (+23°F—+158°F) | BKM-0001 |
| Depolama sıcaklığı | –40°C—+85°C (–40°F—+185°F) | HONEYWELL BKM-0001 |
| Bağıl nem | %10—95 (yoğuşmasız) | BKM-0001 |
| 5 VR besleme voltajı | 5 Vdc ± %10 | FC-BKM-0001 |
Ürün Grafikleri ve Şekilleri

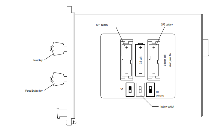
BKM-0001 modülünün önden görünüşü

BKM-0001'in yandan görünümü

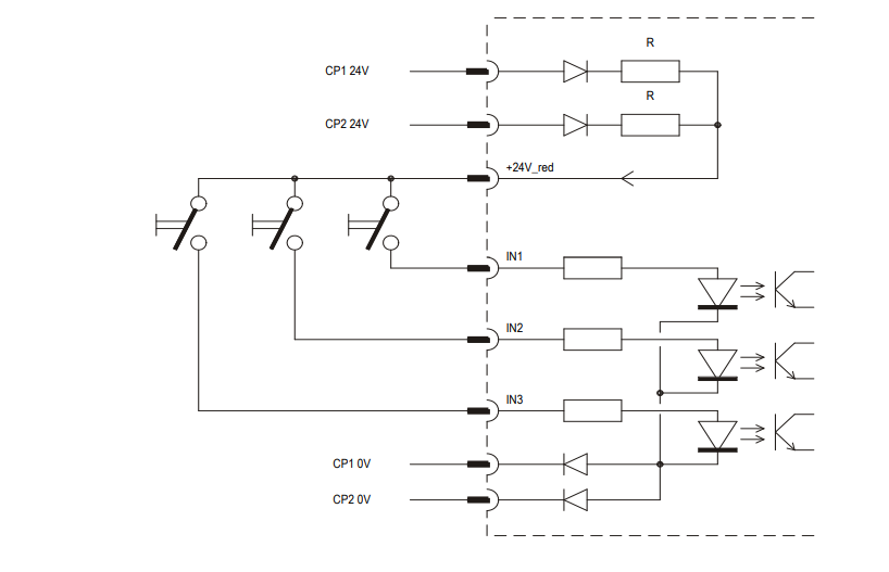
BKM-0001 modülünde 24 V giriş devreleri
Daha fazla ayrıntı istiyorsanız lütfen çekinmeden benimle iletişime geçin.E-posta:sales@sparecenter.com
Ürün Detayları
BKM-0001'in teşhisleri şunları içerir:
• BKM-0001 yerleştirilmemiş.
• Akü voltajı aralıkların dışında (çok yüksek, çok düşük ve açık devre).
BKM-0001 modülü üç genel devresine güç sağlamak için 24V çıkış devresine sahiptir.
amaçlı (24 Vdc) girişler. Girişler bir
sahada temas kurun ve bunlardan birinin 24 Vdc'si kesilse bile çalışır durumda kalacaktır.
Kontrol İşlemcileri kapalı.
BKM-0001 modülü, besleme sağlayan şarj edilemeyen (lityum) piller içerir.
tanılama mesajlarını ve gerçek zamanlı saati açık tutmak için yedek güç
Elektrik kesintisi durumunda QPP modülleri.
BKM-0001 aşağıdaki öğeleri içerir:
• İki pil (her Kontrol İşlemcisi için bir tane)
• Anahtar anahtarını Etkinleştirmeye Zorla
• Anahtar anahtarını sıfırlayın
• Üç (24 Vdc) genel amaçlı giriş (IN1, IN2, IN3)
Denetleyici arka paneli).
Sıfırlama anahtarı anahtarı, teşhis veri tabanını boşaltmak ve sıfırlamak için kullanılır
(başlıyor) bekçi köpeği. Varsayılan konumu KAPALI konumudur ve bu konuma
AÇIK konuma ayarladıktan sonra otomatik olarak geri döner. Yalnızca şunları kaldırabilirsiniz:
Anahtarı KAPALI (dikey) konuma getirin.
Sıfırlama anahtarı anahtarı için gereken anahtar,
Anahtar anahtarını etkinleştirmeye zorla.
Ürün Fotoğrafları
1

2

3

4

Diğer Modüller
| HONEYWELL | 8C-TAOX51 51306983-175 | Analog Çıkış Modülü |
| HONEYWELL | 8C-TAOX61 51306981-175 | Analog Çıkış Modülü |
| HONEYWELL | 8C-TPOX01 51307022-175 | Terminal Kartı |
| HONEYWELL | MU-TAOX02 51304476-125 | Analog Çıkış Sonlandırma Kartı |
| HONEYWELL | CC-PAON01 51410070-175 | Analog Çıkış Modülü |
| HONEYWELL | 10001/R/1 | Dikey Veri Yolu Sürücüsü |
| HONEYWELL | MU-PDIX02 51304485-100 | Dijital Giriş Modülü |
| HONEYWELL | CC-TAIN01 51306513-175 | Analog Giriş Modülü |
| HONEYWELL | 51306975-175 | Kontrol Panosu |
| HONEYWELL | 51401052-100 | Akıllı Çevre Birim Denetleyicisi |
| HONEYWELL | 8C-PAIHA1 51454470-275 | Analog Giriş Modülü |
| HONEYWELL | 8C-PAOHA1 51454469-275 | Analog Çıkış Modülü |
| HONEYWELL | MU-TDOA13 51304648-100 | Dijital Çıkış Sonlandırma Kartı |
| HONEYWELL | 2MLF-RD8A | 16 kanal Gerilim/Akım Giriş Modülü |
| HONEYWELL | 51304685-150 | İletişim Modülü |
| HONEYWELL | 51305896-200 | Nim Modem Kartı |
| HONEYWELL | 51401286-100 | PCB Devre Kartı |
| HONEYWELL BKM-0001 | HONEYWELL BKM-0001 | HONEYWELL BKM-0001 HONEYWELL BKM-0001 |
| HONEYWELL BKM-0001 | HONEYWELL FC-BKM-0001 | HONEYWELL Pil ve Anahtar Anahtar Modülü |
| HONEYWELL FC-BKM-0001 | HONEYWELL FC-BKM-0001 | HONEYWELL Pil ve Anahtar Anahtar Modülü |
| HONEYWELL FC-BKM-0001 | HONEYWELL FC-BKM-0001 | FC-BKM-0001 FC-BKM-0001 FC-BKM-0001 |

Mobil/uygulama nedir:+852 6980 6006
E-posta:sales@sparecenter.com



















