• 991-01-XX-01-05 284318-01 Bently Nevada İtme Vericisi
  • 991-01-XX-01-05 284318-01 Bently Nevada İtme Vericisi
  • 991-01-XX-01-05 284318-01 Bently Nevada İtme Vericisi
  • 991-01-XX-01-05 284318-01 Bently Nevada İtme Vericisi
  • video

991-01-XX-01-05 284318-01 Bently Nevada İtme Vericisi

Bently Nevada 991-01-XX-01-05 284318-01 İtme Vericisi. 991 İtme Vericisi, öncelikle makinelerine giriş olarak basit bir 4 ila 20 mA orantılı eksenel yer değiştirme (itme) sinyali sağlamayı tercih eden santrifüj hava kompresörleri veya küçük pompalar, motorlar veya fanların orijinal ekipman üreticileri (OEM'ler) için tasarlanmıştır. kontrol sistemi.

Ürün Özellikleri


Üretici firma Bently Nevada
Ürün No.991-01-XX-01-05
Giriş1 adet temassız 3300 NSv Yakınlık Probu ve uzatma kablosunu kabul eder
GüçVerici terminalinde 12 ila 35 Vdc girişi gerektirir
Maksimum Döngü Direnci35 Vdc'de kablo dahil 1.000. 
Akım Sınırlama23 mA tipik
Minimum hedef boyutu

9,5 mm (0,375 inç) çap


Ürün Detayları ve Ölçü Çizimi


Açıklamalar:

 Bently Nevada991-01-XX-01-053300 NSv yakınlık probumuzdan ve ona uygun uzatma kablosundan (5 m ve 7 m sistem uzunluğu seçenekleri mevcuttur) gelen girişi kabul eden, 2 telli, döngüden güç alan bir cihazdır. Verici, sinyali şaftın eksenel konumu1 ile orantılı olarak uygun mühendislik birimlerine dönüştürür ve bunu, makine koruma alarmının ve mantığın oluştuğu2 kontrol sistemine giriş için 4 ila 20 mA endüstri standardı bir sinyal olarak sağlar.


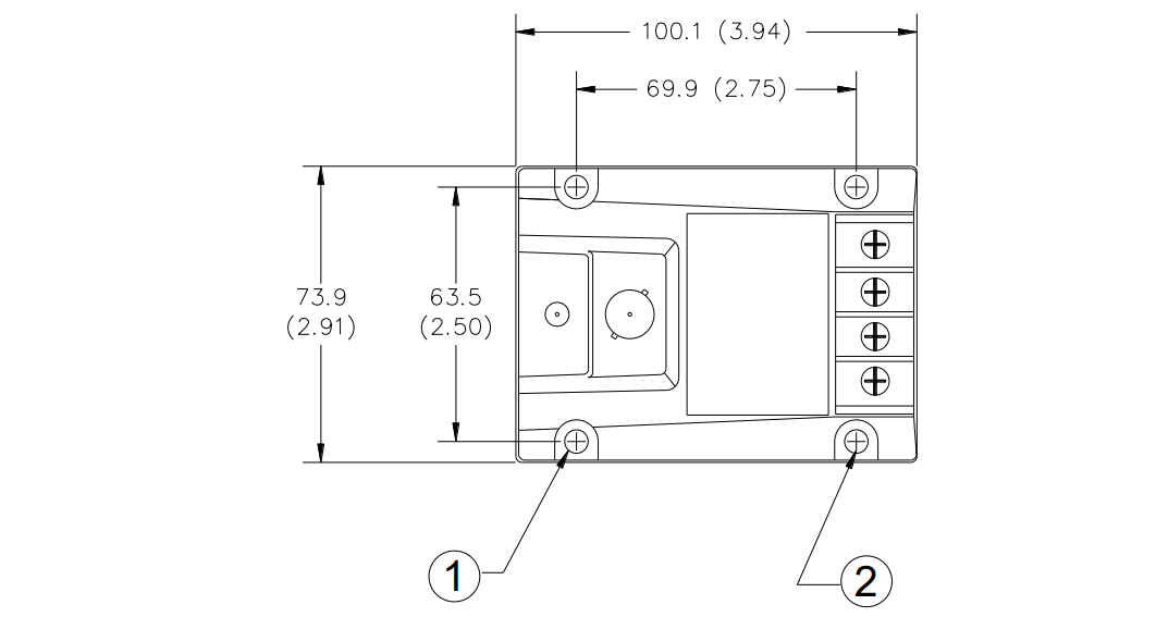
Boyutsal çizim:

991-01-XX-01-05

Şekil 1: 991-01-XX-01-05İtme VericiBoyutlar (Üstten Görünüm)

1. Montaj delikleri, 5,8 mm (0,23 inç) çapında, 4 yerden

2. Bölme montaj delikleri, her biri 4 adet. Montaj seçeneği belirtildiğinde 6-32 x 1,326 vida sağlanır


Bently Nevada Thrust Transmitter

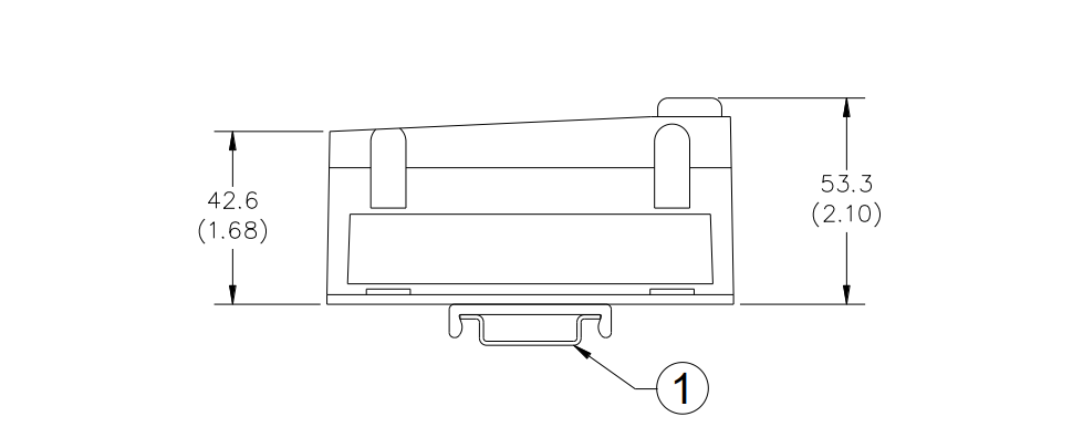
Şekil 2:991-01-XX-01-05 İtme VericiBoyutlar (Yan Görünüm)

1. 35 mm DIN rayı DIN montaj klipsleri (DIN rayına montaj belirtildiğinde)


991-01-XX-01-05 284318-01Bently Nevadaİtme Vericisi.Bently Nevada 991-01-XX-01-05.Bently Nevada 284318-01.


Daha fazla ayrıntı istiyorsanız,lütfen çekinmeden benimle iletişime geçin.E-posta:sales@sparecenter.com  


Ürün Görselleri


Bently Nevada 991-01-XX-01-05

991-01-XX-01-05

Bently Nevada Thrust Transmitter


Diğer Modüller


Bently Nevada 991-06-XX-01-00 MOD:169955-01 991 Titreşim Vericisi

Bently Nevada 991-06-XX-01-00 MOD:164113-01 991 Titreşim Vericisi

Bently Nevada 991-01-XX-02-05 Titreşim Vericisi

Bently Nevada 991-01-XX-01-00 MOD:284318-01 991 Titreşim Vericisi

Bently Nevada 990-16-XX-01-CN 106M1675-01 Titreşim Verici

Bently Nevada 990-16-XX-01-CN Titreşim Vericisi

Bently Nevada 990-10-XX-01-CN 167541-01 Titreşim Verici

Bently Nevada 990-10-XX-01-05 MOD:285269-01 Titreşim Vericisi

Bently Nevada 990-10-XX-01-05 Titreşim Vericisi

Bently Nevada 990-10-XX-01-00 MOD:165353-01 Titreşim Vericisi

Bently Nevada 990-10-XX-01-00 283278-01 284318-01 Titreşim Vericisi

Bently Nevada 284318-01 Bently Nevada 284318-01 Bently Nevada İtme Vericisi

Bently Nevada İtme Vericisi Bently Nevada 284318-01 Bently Nevada 284318-01 284318-01

Bently Nevada İtme Vericisi 284318-01 284318-01

Bently Nevada 990-05-XX-03-CN 104M6732-01 Titreşim Verici

Bently Nevada 990-05-XX-03-CN 104M1359-01 Titreşim Verici

Bently Nevada 990-05-XX-03-05 147202-01 Titreşim Verici

Bently Nevada 991-01-XX-01-05 Bently Nevada 991-01-XX-01-05 284318-01

Bently Nevada 990-05-XX-01-00 MOD:165335-01 Titreşim Vericisi

Bently Nevada 990-05-XX-01-00 MOD:147202-01 Titreşim Vericisi

Bently Nevada 990-05-70-02-05 990 Titreşim Vericisi

Bently Nevada 990-05-70-02-01 990 Titreşim Vericisi

Bently Nevada 990-05-70-02-00 990 Titreşim Vericisi

Bently Nevada 990-05-50-01-05 990 Titreşim Vericisi

Bently Nevada 990-04-XX-01-01 MOD:165335-01 990 Przetwornik wibracji

Bently Nevada 990-04-70-02-00 Przetwornik wibracji

Bently Nevada 990-04-70-01-05 990 Przetwornik wibracji

Bently Nevada 990-04-70-01-00 990 Przetwornik wibracji

Bently Nevada 990-04-50-01-00 990 Przetwornik wibracji

Bently Nevada 9200-06-05-10-00 Przetwornik dwuprzewodowy


Bently Nevada 991-01-XX-01-05

Aplikacja mobilna/co to jest: 852 6980 6006

E-mail:sales@sparecenter.com

MÜŞTERİ SESİ

Sparecenter yeni ve fazlalık ürünler satar ve bu tür ürünleri satın almak için kanallar geliştirir. Bu web sitesi listelenen üreticilerden veya ticari markalardan hiçbiri tarafından onaylanmamış veya tanınmamıştır. Sparecenter bu web sitesinde görüntülenen ürünlerin yetkili bir dağıtıcısı, satıcısı veya temsilcisi değildir. Bu web sitesinde kullanılan tüm ürün adları, ticari markalar, markalar ve logolar ilgili sahiplerinin mülkiyetindedir. Bu adlara, ticari markalara, markalara ve logolara sahip ürünlerin açıklaması, açıklaması veya satışı yalnızca tanımlama amaçlıdır ve herhangi bir hak sahibiyle herhangi bir ilişki veya yetkilendirme belirtme amacı taşımaz.
("[type='submit']")