Ürün Özellikleri
| Numaraları yazın | 9761-210 | 9761-210 |
| Panel tipi | Akım girişi | Triconex 9761-210 |
| Puanlar | 16 | Triconex Akım Giriş Öğe Kartı |
| Üretici | Triconex | TRICON modülü |
| Ülkenin Kökeni | geyik | Triconex Üç Dişli Mızrak |
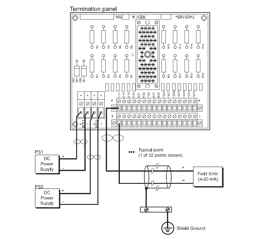
9761-210 Saha Bağlantı Şemaları ve Detayları

3700, 3700A veya 3721 AI Modülü veya 2770H HART AI Arayüz Modülü ile 9761-210 için Saha Kablolaması
Bu şekilde 32 noktalı bir analog giriş modülünün veya bir HART analog giriş arayüz modülünün ve 9761-210'un sahaya nasıl bağlanacağı gösterilmektedir (32 modül noktasından 1'i gösterilmiştir). Koruma topraklaması kurulum yönergeleri için Ek E, Koruma Toprağı'na bakın.
Sonlandırma paneli 9761–210, 0 - 5 VDC analog giriş modülleri, -5 - +5 VDC analog giriş modülleri ve HART analog giriş arayüzü modülleriyle uyumludur. 16 adet güç çıkış terminali (+) ve 16 adet akım giriş terminali (-) bulunmaktadır. Her pozitif terminal, 180 ohm seri dirençle akımla sınırlıdır. Her girişte 0–5 VDC akım-voltaj dönüşümü için hassas 250 ohm direnç bulunur. Panel, diyot ORing'li yedekli 24 VDC güç kaynaklarını destekler.
Özellik:
Mevcut Giriş Kanalları:Endüstriyel proseslerde analog akım sinyallerinin doğru ölçümü için birden fazla kanal sağlar.
Yüksek Hassasiyet:Hassas ve güvenilir akım ölçümleri sağlayarak kontrol ve izleme yeteneklerini geliştirir.
Esnek Yapılandırma:Çeşitli proses gereksinimlerini karşılayan bir dizi giriş akımı değerini destekler.
Gerçek Zamanlı İzleme:Anında sistem geri bildirimi ve yanıtı için giriş sinyallerinin gerçek zamanlı izlenmesini sağlar.
9761-210 Triconex Akım Giriş Öğe Kartı.Triconex 9761-210.
Daha fazla ayrıntı istiyorsanız lütfen çekinmeden benimle iletişime geçin.E-posta:sales@sparecenter.com
Ürün Fotoğrafları



Diğer Modüller
Triconex Üç Dişli Mızrak TRİKONEX TRİKONEX TRİKONEX TRİKONEX TRİKONEX TRİKONEX TRİKONEX TRİKONEX TRİKONEX TRİKONEX TRİKONEX TRİKONEX TRİKONEX TRİKONEX TRİKONEX TRİKONEX TRİKONEX TRİKONEX TRİKONEX TRİKONEX TRİKONEX TRİKONEX TRİKONEX TRİKONEX TRİKONEX TRİKONEX TRİKONEX Triconex 9761-210 TRICON modülü TRICON modülü | Triconex Üç Dişli Mızrak 9771-210 4119A 4329 3000510-180 3008 3504E 3511 3624 3664 3700A 3704E 3706A 3721 4210 4351B 8312 9662-810 9674-810 9761-210 9853-610 EMP II 3006 3503E 3604E 9760-210 9662-110 3006 Triconex Üç Dişli Mızrak 8110 Triconex Üç Dişli Mızrak Triconex 9761-210 TRICON modülü TRICON modülü | Triconex Üç Dişli Mızrak TRİKONEX TRİKONEX TRİKONEX TRİKONEX TRİKONEX TRİKONEX TRİKONEX TRİKONEX TRİKONEX TRİKONEX TRİKONEX TRİKONEX TRİKONEX TRİKONEX TRİKONEX TRİKONEX TRİKONEX TRİKONEX TRİKONEX TRİKONEX TRİKONEX TRİKONEX TRİKONEX TRİKONEX TRİKONEX TRİKONEX TRİKONEX Triconex 9761-210 TRICON modülü TRICON modülü | Triconex Üç Dişli Mızrak HCU3700/3703E 3510 8300A 7400208C-020 4201 3625A 3636R 3008N 3625N 4200N 4201N 3708E 4351A OF 3301 4200 4000212-002 7400206-100 7400208-020 7400213-100 3533E MP3101 RO3451 3504E orijinal 7400207-001 7400210-010 Triconex Üç Dişli Mızrak 7400169-310 9662-1XX 3664 TRICON modülü Triconex Akım Giriş Öğe Kartı Triconex Akım Giriş Öğe Kartı Triconex 9761-210 |

Mobil/uygulama nedir:+852 6980 6006
E-posta:sales@sparecenter.com
















