Ürün özellikleri
Üreticiler | Bently Nevada | Bently Nevada 3300/50 |
Ürün No. | 3300/50 | 3300/50 |
Çıkış empedansı | 0 u2126 | Bently Nevada Takometre Modülü |
Güç tüketimi | Nominal tüketim 2,5 watt'tır İki yakınlık probu dönüştürücü sinyalini kabul eder | Bently Nevada 3300 |
Ağırlık | 1 kg (2,2 lb.) | Bently Nevada İzleme Sistemi |
Depolama sıcaklığı | -40°C ila 85°C (-40°F ila 185°F) | 3300/50 |
Çalışma sıcaklığı | 0°C ila 65°C ( 32°F ila 150°F) | Bently Nevada İzleme Sistemi |
Ürün Grafikleri ve Şekilleri

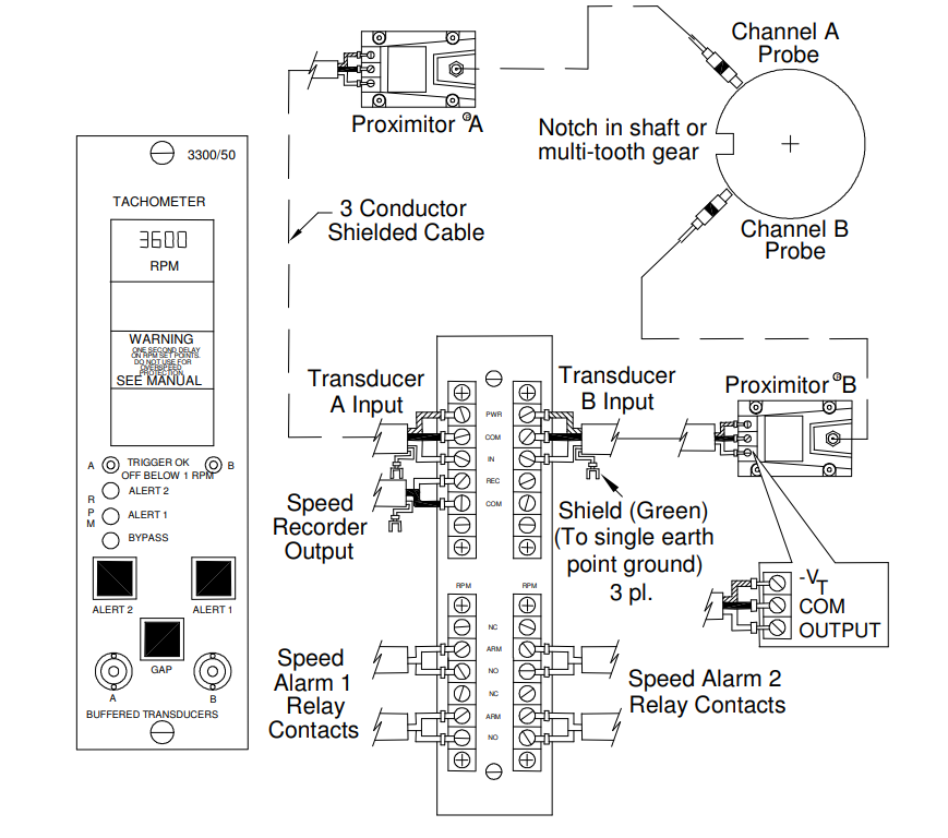
3300/50 Çift Ayar Noktalı Takometre için saha bağlantı şeması

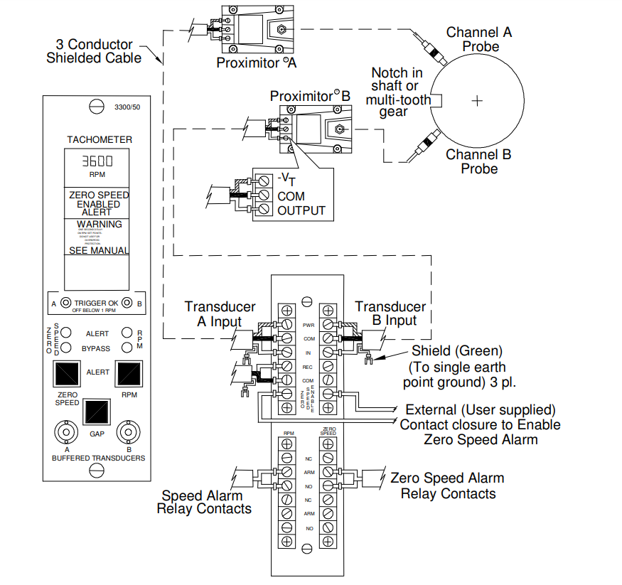
3300/50 Sıfır Hız Takometresi için saha bağlantı şeması

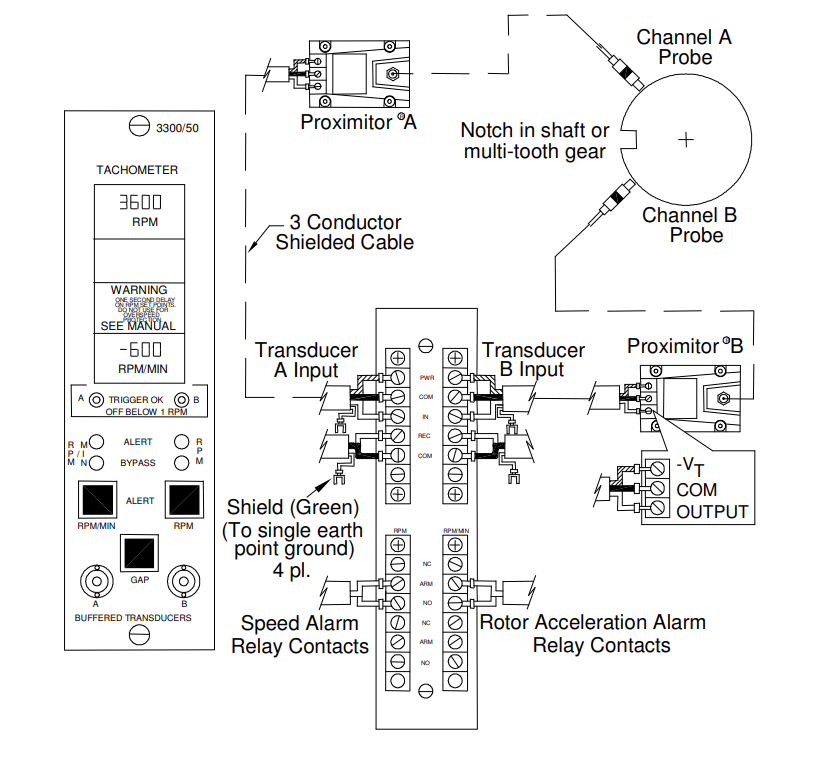
3300/50 Rotor İvme Takometresi için saha bağlantı şeması
Ürün Detayları
Açıklamalar: BENTLY NEVADA3300/50birtakometre modülüBENTLY NEVADA 3300 makine koruma sistemine entegre edilmiştir. Hem durum izleme hem de koruma amacıyla gerekli verileri sağlamak için çeşitli giriş sinyallerini kullanarak şaft dönüş hızının sürekli ölçümünü gerçekleştirir. Özellikler: Zorlu endüstriyel ortamlara dayanacak şekilde tasarlanan bu cihaz, sağlam ve güvenilir bir yapıya sahiptir. Çoklu giriş sinyali seçenekleriyle çeşitli uygulamalara uyum sağlayarak yüksek doğruluk ve geniş bir ölçüm aralığı sunar. Analog ve darbe çıkışları mevcut sistemlere kusursuz entegrasyonu kolaylaştırır. Kompakt ve hafif olup, kolay kurulum sağlar. Kendi kendine teşhis yetenekleriyle donatılan sorun giderme basitleştirilmiştir. API 670 ve API 614 standartlarıyla uyumlu olup, sıkı endüstri gereksinimlerini karşılar. Uygulamalar: Güç üretimi Petrol ve gaz üretimi Kimyasal işleme Kağıt hamuru ve kağıt üretimi Madencilik işlemleri Çimento üretimi 3300/50Bently NevadaTakometre Modülü. Bently Nevada 3300/50. |
Daha fazla ayrıntı istiyorsanız,lütfen çekinmeden benimle iletişime geçin.E-posta:sales@sparecenter.com
Ürün Fotoğrafları



Diğer Modüller
Bently Nevada330910-14-19-10-02-003300 XL NSv Yakınlık Probu Bently Nevada330910-10-22-10-01-CN3300 XL NSv Yakınlık Dönüştürücü Bently Nevada330910-05-10-02-003300 XL 11 mm Yakınlık Probları Bently Nevada330910-03-09-05-02-053300 XL NSv Yakınlık Dönüştürücü Bently Nevada 3300/50 Bently Nevada 3300/50 Bently Nevada Takometre Modülü Bently Nevada330910-014-19-10-02-003300 XL 8mm Yakınlık Probu Bently Nevada330910-00-12-10-02-003300 NSv Yakınlık Probları Bently Nevada 3300/50 Bently Nevada 3300/50 Bently Nevada Takometre Modülü Bently Nevada330910-00-11-10-02-053300 XL 11 mm Yakınlık Probu Bently Nevada330910-00-05-10-02-003300 XL 11 mm Yakınlık Probu Bently Nevada330909-00-99-10-02-003300 NSv Yakınlık Probları Bently Nevada 3300/50 Bently Nevada İzleme Sistemi Bently Nevada 3300/50 Bently Nevada330909-00-60-10-02-053300 NSv Yakınlık Probları Bently Nevada330907-05-30-10-02-003300 NSv Ters Montaj Probu Bently Nevada 3300/50 Bently Nevada İzleme Sistemi Bently Nevada 3300/50 Bently Nevada330905-14-19-10-02-053300 NSv Yakınlık Probları Bently Nevada330905-08-13-10-02-053300 NSv Yakınlık Probları Bently Nevada330905-05-10-10-12-CN3300 NSv Yakınlık Probları Bently Nevada330905-00-13-10-12-CN3300 NSv Yakınlık Probları Bently Nevada330905-00-10-10-02-003300 NSv Yakınlık Probları Bently Nevada330905-00-07-10-12-CN3300 NSv Yakınlık Probları Bently Nevada330905-00-07-10-02-053300 NSv Yakınlık Probları Bently Nevada330905-00-07-10-02-003300 NSv Yakınlık Probları Bently Nevada330905-00-05-10-12-CN3300 NSv Yakınlık Probları Bently Nevada330905-00-05-05-02-CN3300 NSv Yakınlık Probları Bently Nevada330903-00-06-05-02-053300 NSv Yakınlık Probları Bently Nevada330901-11-25-10-01-003300 XL NSv Yakınlık Probu Bently Nevada330901-10-25-10-02-003300 XL 8 Mm Yakınlık Probları |
Mobil/uygulama nedir: 852 6980 6006
E-posta:sales@sparecenter.com
