Ürün özellikleri
Üreticiler | Bently Nevada | Bently Nevada 3300/47 |
Ürün No. | 3300/47 | 3300/47 |
Boyutlar | 2.0"x 13,0"x 9,0"(5,1 cm x 33,0 cm x 22,9 cm) | Bently Nevada Diferansiyel Genişleme Monitörü |
Giriş Sinyali | İki yakınlık probu dönüştürücü sinyalini kabul eder | Bently Nevada 3300 |
Ağırlık | 2 lb 7,0 ons (1,1 kg) | Bently Nevada İzleme Sistemi |
Giriş Empedansı | 10 bin Ω | 3300/47 |
Çalışma sıcaklığı | 0°C ila 65°C ( 32°F ila 150°F) | Bently Nevada İzleme Sistemi |
Ürün Şekilleri ve Detayları

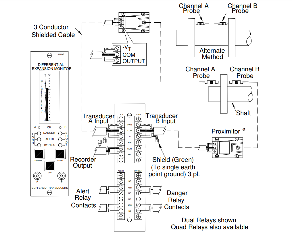
3300/47 Tamamlayıcı Giriş Diferansiyel Genişleme Monitörü
Açıklamalar:
Bently Nevada3300/47Tamamlayıcı GirişDiferansiyel Genişleme Monitörüstandart dönüştürücülere kıyasla daha geniş izleme yetenekleri sağlayan alternatif bir ölçüm yaklaşımı sunar. Olağanüstü geniş izleme aralıkları gerektiren senaryolarda paha biçilmez olduğu kanıtlanmıştır. Bu, rotor bileziğini tamamlayıcı bir şekilde izlemek için iki yakınlık probu kullanan bir kurulum aracılığıyla gerçekleştirilir. Stratejik olarak konumlandırılan bu problar, yaka bir probun doğrusal aralığını aştığında diğerinin aralığına sorunsuz bir şekilde geçiş yapmasını sağlar. Bu tür bir konfigürasyon, monitörün izleme kapasitesini tek bir dönüştürücüyle elde edilebilecek doğrusal aralığın iki katına çıkarmasına olanak tanır.
คุณสมบัติ:
เทคนิคการวัดทางเลือกของช่วงการตรวจสอบที่เพิ่มขึ้น
ให้ช่วงเชิงเส้นสูงสุดถึงสองเท่าของทรานสดิวเซอร์เดี่ยว
แสดงทั้งขนาดและทิศทางของการขยายตัวที่แตกต่างกัน
3300/47 การตรวจสอบการขยายตัวอินพุตเสริมเฟืองท้าย Bently Nevada 3300/47.
หากคุณต้องการรายละเอียดเพิ่มเติม,โปรดติดต่อฉันโดยไม่ลังเลอีเมล:sales@sparecenter.com
Ürün Fotoğrafları



Diğer Modüller
Bently Nevada 3500/15 127610-01 Güç Kaynağı Modülü Bently Nevada 3500/15 106M1079-01 Güç Kaynağı Modülü Bently Nevada 3500/05-02-04-00-00-01 Sistem Rafı Bently Nevada 3500/05-01-02-01-00-01 Sistem Rafı Bently Nevada 3500/05-01-02-01-00-00 Sistem Rafı Bently Nevada 3500/05-01-02-00-00-01 Sistem Rafı Bently Nevada 3500/05-01-02-00-00-00 Sistem Rafı Bently Nevada 3500/05-01-01-00-00-01 Sistem Rafı Bently Nevada 330104-00-10-10-02-05 3300 XL 8 mm Yakınlık Probu Bently Nevada 330980-71-CN 3300 NSv Proximitor Sensörü Bently Nevada 3300/47 Bently Nevada 3300/47 Bently Nevada 330980-71-00 3300 NSv Proximitor Sensörü Bently Nevada 330980-50-00 3300 NSv Proximitor Sensörü Bently Nevada 330930-065-01-05 3300 XL Uzatma Kablosu Bently Nevada Diferansiyel Genişleme Monitörü 3300/47 Bently Nevada 330930-065-00-CN 3300 NSv Uzatma Kablosu Bently Nevada 330930-065-00-05 3300 XL Uzatma Kablosu Bently Nevada Diferansiyel Genişleme Monitörü 3300/47 3300/47 Bently Nevada İzleme Sistemi Bently Nevada İzleme Sistemi Bently Nevada 330930-060-01-CN 3300 NSv Uzatma Kablosu Bently Nevada 330930-060-00-00 3300 NSv Standart Uzatma Kablosu Bently Nevada 330930-045-01-00 3300 NSv Uzatma Kablosu Bently Nevada 330930-040-02-00 3300 NSv Uzatma Kablosu Bently Nevada 330930-040-00-00 P3403893-0006 3300 NSv Uzatma Kablosu Bently Nevada 330930-040-00-00 3300 NSv Uzatma Kablosu |
Mobil/uygulama nedir: 852 6980 6006
E-posta:sales@sparecenter.com