Ürün Özellikleri
Öğe | Şartname | Resim |
---|---|---|
Marka | Bently Nevada | ![]() |
Parça No. | 177230-02-01-05 | |
Ürün Tipi | Sismik Verici | |
Uyarma Gerilimi | 12 ila 30 Vdc (Akım 40 mA ile sınırlıdır) | |
Yerleşme Süresi | Nihai değerin %2'si içinde 15 saniyeden az | |
Monte Edilmiş Rezonans Frekansı | 12 kHz'den büyük | |
Enine Hassasiyet | Hassasiyetin %5'inden az | |
Algılama Elemanı Türü | Seramik / Kesme | |
Çalışma Sıcaklığı | -40°C ila 85°C(-40°F ila 185°F) | |
Elektrik İzolasyonu | 108 ohm'dan büyük | |
İzolasyon Arıza Gerilimi | 1 mA'den düşük kaçak akımla 600 Vrms | |
Şokta Hayatta Kalma | 9,810 m/s2 (1,000 g tepe noktası), maksimum düşme testi | |
Sensör Contası | Hermetik olarak kapatılmış | |
Vericinin Bağıl Nemi | 0 su altında olmayana kadar | |
Manyetik Alan Hassasiyeti | 20 μm/s/gauss'tan (790 μin/s/gauss) düşük tepe 14,7 mm/s2/gauss'tan (150 μg/gauss) tepeden az [50 gauss, 50 - 60 Hz'e dayalı] |
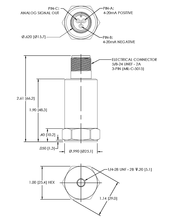
177230-01-01-05Grafikler, Şekiller ve Detaylar

Dönüştürücü Mekanik Anahatları ve Boyutları→
Tanım:
Model177230 SeriDinamik Sinyal Çıkış Sensörlü endüstriyel 4-20 mA, piezoelektrik titreşim sensörünün ve 4-20 mA titreşim vericisinin özelliklerini birleştirir. Sensör, makinenin genel hızıyla orantılı olan 4-20 mA'lik bir sinyal üretir. Fanlar, motorlar ve pompalar gibi proses ekipmanlarının titreşimini izlemek için ideal olan sensörün çıkışı, proses kontrolü veya kestirimci bakım için kullanılır.
Özellik:
Geliştirilmiş doğruluk ve frekans tepkisi için Gömülü Piezoelektrik İvme Ölçer.
RMS birimleriyle Hızda birincil titreşim.
Frekans analizi ve makine teşhisini gerçekleştirmek için Hızlanmada dinamik titreşim.
Temel ve yardımcı varlıkların titreşiminin sürekli izlenmesine olanak tanır.
Gelişmiş titreşim verisi toplama programlarına olan ihtiyacı azaltır.
Mevcut proses kontrolü ve kestirimci bakım ekipmanına kolaylıkla arayüz oluşturur.
Zorlu ortamlardaki uygulamalar için sağlam paslanmaz çelik yapı.
Esnek tasarım, çeşitli özel gereksinimlerin karşılanmasına olanak tanır.
Başvuru:
Makina Durum Takibi: Aşınma veya arızanın erken belirtilerini tespit etmek amacıyla dönen makinelerdeki titreşimlerin sürekli izlenmesi için kullanılır.
Kestirimci Bakım: Bakım faaliyetlerinin gerçek zamanlı verilere dayalı olarak planlanmasına, plansız arıza sürelerinin azaltılmasına ve varlık ömrünün uzatılmasına yardımcı olur.
Yapı Sağlığı İzleme: Yapıların bütünlüğünü değerlendirmek ve arızalara yol açabilecek potansiyel sorunları tespit etmek için yapılardaki titreşimleri izler.
Endüstriyel Otomasyon: Gerçek zamanlı izleme ve kontrol için otomatik sistemlere entegre olarak genel operasyonel verimliliği artırır.
Petrol ve Gaz Endüstrisi: Petrol sondaj kuleleri ve rafinerilerde kritik ekipmanları izlemek, güvenli ve verimli operasyonlar sağlamak için yaygın olarak kullanılır.
177230-02-01-05 Bently Nevada Sismik Verici.Bently Nevada 177230-02-01-05.
Daha fazlasını istiyorsanız lütfen çekinmeden benimle iletişime geçin.E-posta:sales@sparecenter.com
BENTLY NEVADA ile ilgili SSS 177230-02-01-05
177230 Sismik Vericinin çalışma prensibi nedir? |
Verici, gerçek zamanlı titreşim verilerini kontrol sistemlerine iletmek için 4-20 mA çıkış kullanan döngü beslemeli prensipte çalışır. |
Ne tür titreşimleri algılayabilir? |
Çok çeşitli titreşim frekanslarını tespit edecek şekilde tasarlanmıştır, bu da onu çeşitli tipte dönen makinelerin izlenmesi için uygun kılar. |
Cihaz nasıl kurulur? |
177230 Sismik Verici, minimum düzeyde kesinti ile hızlı bir şekilde kurulabilir ve genellikle doğrudan izlenen makineye monte edilebilir. |
Diğer Modüller
Bently Nevada 330850-50-00 3300 XL 25 mm Yakınlık Sensörü Bently Nevada 330780-91-00 3300 XL 11MM Proximitor Sensör Bently Nevada 330780-90-00 3300 XL 11 mm Yakınlık Sensörü Bently Nevada 330400 Bently 330400 330400 Bently İvme Ölçer Bently Nevada 330780-51-00 3300 XL 11 mm Yakınlık Sensörü Bently Nevada 330780-50-CN 3300 XL 11 mm Yakınlık Sensörü Bently Nevada 330730-080-12-00 3300 XL 11 mm Uzatma Kablosu Bently Nevada 330400 Bently 330400 330400 Bükülmüş İvme Ölçer Bently Nevada 330730-040-00-05 3300 XL 11 mm Uzatma Kablosu Bently Nevada 177230-02-01-05 Bently Nevada 177230-02-01-05 Bently Nevada 177230-02-01-05 Bently 330400 Bently 330400 Bently 330400 Bently 330400 Bently 330400 Bently Nevada Sismik Verici Bently Nevada Sismik Verici Bently Nevada Sismik Verici Bently Nevada 330703-000-100-10-02-00 3300 XL 11mm Yakınlık Probları Bently 177230-02-01-05 Bently 177230-02-01-05 Bently 177230-02-01-05 Bently 177230-02-01-05 Bently 177230-02-01-05 Bently 177230-02-01-05 Bently 177230-02-01-05 Bently 177230-02-01-05 Bently 177230-02-01-05 Bently Nevada 177230 Bently Nevada 177230 Bently Nevada 177230 Bently Nevada 177230-02-01-05 Bently Nevada 177230-02-01-05 Bently Nevada 177230-02-01-05 Bently Nevada 330703-000-080-10-02-00 3300 XL 11mm Yakınlık Probları |
Mobil/waht uygulaması: 852 6980 6006
E-posta:sales@sparecenter.com