Ürün Özellikleri
| Üretici | Allen Bradley | 1756-IF8I |
| Parça Numarası | 1756-IF8I | AB 1756-IF8I |
| Ürün Tipi | ControlLogix Analog Giriş Modülü | AB ControlLogix Analog Giriş Modülü |
| Boyutlar | 1.5"x 6,0"x 5,5"(3,8 cm x 15,2 cm x 14,0 cm) | AB ControlLogix |
| Ağırlık | 0 lb 12,6 ons (0,4 kg) | Allen Bradley PLC |
| Akım Girişi | 0 ila 20 mA | AB 1756-IF8I |
| Gerilim Girişi | -10 ila 10 V, 0 ila 10 V ve 0 ila 5 V | 1756-IF8I |
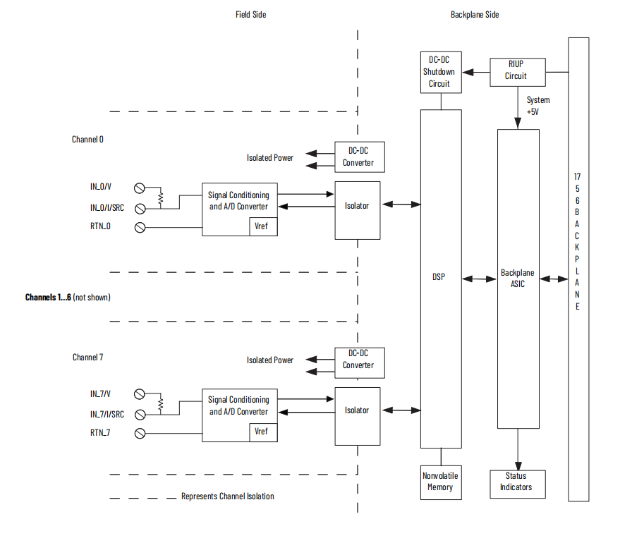
1756-IF8I Modül Blok Şeması
![]() |
Ürün Detayları
Tanım
The 1756-IF8Imodül kullanım için tasarlanmıştırControlLogix sistemleriEndüstriyel kontrol süreçleri için güvenilir ve doğru analog giriş yetenekleri sunar. Yüksek çözünürlüğü ve esnek giriş seçenekleri, onu karmaşık otomasyon ortamlarındaki çeşitli ölçüm ve kontrol uygulamalarına uygun hale getirir.
Özellik
Kanallar:Doğru ölçümleri sağlamak ve kanallar arası girişimi en aza indirmek için her biri ayrı izolasyon sağlayan 8 kanal.
Verici Uyumluluğu:Hem 2 kablolu hem de 4 kablolu vericileri destekleyerek çeşitli endüstriyel uygulamalar için çok yönlülük sağlar.
Başvuru
Sıcaklık Ölçümü:Üretim ve kimyasal işlemlerde proses sıcaklıklarını izlemek ve kontrol etmek için RTD'ler veya termokupllar gibi sıcaklık sensörlerine bağlanır.
Çevresel İzleme:Nem, CO2 seviyeleri ve hava kalitesi gibi değişkenleri ölçerek etkili bina yönetimine ve güvenliğine katkıda bulunur.
Daha fazla ayrıntı istiyorsanız lütfen çekinmeden benimle iletişime geçin.E-posta:sales@sparecenter.com
Ürün Görselleri
AB 1756-IF8I
AB 1756-IF8I
AB 1756-IF8I
AB 1756-IF8I
Diğer Modül
Allen Bradley20-750-SGüvenli Tork Kapatma Opsiyon Modülü Allen Bradley 2094-BM05 Kinetix 6200 modüler çok eksenli servo sürücü Allen Bradley 2094-BMP5-S Kinetix Servo Sürücüleri Tahrik Ediyor Allen Bradley 2097-V33PR5-LM Kinetix 350 EtherNet/IP Tek Eksenli Servo Sürücü AB 1756-IF8I AB 1756-IF8I AB 1756-IF8I AB ControlLogix Analog Giriş Modülü Allen Bradley 2198-D006-ERS3 Kinetix 5700 Servo Sürücü Modülü Allen Bradley Analog Giriş Modülü Allen Bradley PLC Allen Bradley PLC Allen Bradley Analog Giriş Modülü Allen Bradley PLC Allen Bradley PLC Allen Bradley 2711P-RP2 PanelView Plus Mantık Modülü Allen Bradley 80190-100-01-R Fiber Optik Kart Allen Bradley 80190-320-03-R Müşteri Arayüz Kartı Allen Bradley 80190-380-01-R İnvertör Sürücü Devre Kartı Allen Bradley Analog Giriş Modülü Allen Bradley PLC Allen Bradley PLC Allen Bradley 80190-380-02-R Denetleyici Kartı Allen Bradley 1746-IB32 SLC 32 Nokta DC Giriş Modülü AB ControlLogix AB ControlLogix AB ControlLogix Analog Giriş Modülü Allen Bradley 1756-TBCH ControlLogix 36 Pin Allen Bradley 1203-CN1 ControlNet Haberleşme Modülü |

Mobil/uygulama nedir:+852 6980 6006
E-posta:sales@sparecenter.com


















